

|
Nr. Pin |
Mnemonic |
Descriere |
|
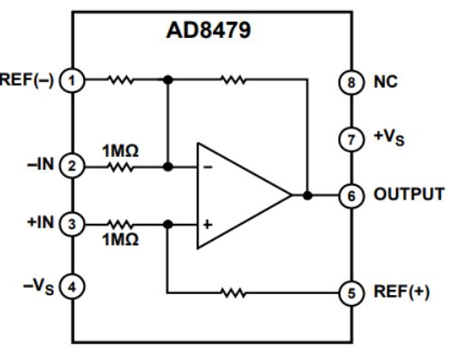
1 |
Ref ( -) |
Intrare de tensiune de referință negativă. |
|
2 |
−in |
Intrare de inversare. |
|
3 |
+În |
Intrare neinversare. |
|
4 |
−V_S |
Tensiunea de alimentare negativă. |
|
5 |
Ref (+) |
Intrare de tensiune de referință pozitivă. |
|
6 |
Ieșire |
Ieșire. |
|
7 |
+V_s |
Tensiune de alimentare pozitivă. |
|
8 |
NC |
Fără conectare.Nu vă conectați la acest pin. |

AD8479 Amplificatorul de diferență este remarcabil pentru adeptul său în gestionarea tensiunilor în mod comun de intrare înaltă, atingând până la ± 600 V. Această capacitate o face bine potrivită pentru măsurătorile de precizie în care este solicitată precizia chiar și în prezența unor mari tensiuni în mod comun.Proiectarea sa asigură o rezistență considerabilă la tensiunea nedorită v ariat ioni, încurajând un mediu de măsurare fiabil.
• Amplificatorul de diferență de precizie AD8479 prezintă un interval de tensiune în mod comun ± 600 V, ieșire de șină la șină și un câștig fix de 1.
• Funcționează într -un interval larg de alimentare de la ± 2,5 V până la ± 18 V, cu un curent de alimentare tipic de 550 μA.
• Amplificatorul oferă specificații de curent alternativ excelent, incluzând un raport minim de respingere în modul comun (CMRR) de 90 dB și o lățime de bandă de 310 kHz.
1.
În situațiile în care izolarea galvanică nu este o preocupare, AD8479 prezintă o alegere economică în locul amplificatoarelor de izolare costisitoare.Concentrându -se pe funcționalități, designul său menține costurile componentelor în control.
Dispozitivul navighează într-un spectru larg de tensiuni în mod comun, oferind flexibilitate în diverse aplicații solicitante.Oferind o protecție tranzitorie până la ± 600 V, susține siguranța operațională și dependența în medii sensibile la fluctuațiile de tensiune.
AD8479 se mândrește cu caracteristici precum tensiunea scăzută de compensare și o derivă minimă, asigurând performanțe precise și constante.Raportul său substanțial de respingere în modul comun (CMRR) pe un interval de frecvență larg sporește dependența sa.Apreciem aceste caracteristici atunci când sisteme de inginerie care necesită măsurători stabile și precise în condiții diverse.
Încadrat într-un pachet SOIC compact cu 8 plumb, AD8479 se remarcă pentru proiectarea sa eficientă, funcționând perfect la temperaturi de la -40 ° C la +125 ° C.Această flexibilitate se dovedește avantajoasă în sectoarele în care echipamentele se confruntă cu temperaturi severe și în schimbare, comune în instrumentele de câmp de monitorizare și achiziție de date.
Analog Devices Inc. oferă AD8479Arz, un amplificator de instrumentare care exemplifică precizia cu o varietate de caracteristici tehnice meticulos realizate.Aceste atribute sunt curate pentru a oferi un amestec armonios de performanță ridicată și o fiabilitate excepțională.Iată specificațiile, atributele și parametrii Analog Devices Inc. AD8479Arz.
|
Tip |
Parametru |
|
Starea ciclului de viață |
Producție (ultima actualizare: acum 1 săptămână) |
|
Placare de contact |
Staniu |
|
Tip de montare |
Montare la suprafață |
|
Numărul de pini |
8 |
|
Temperatura de funcționare |
-40 ° C ~ 125 ° C. |
|
Cod JESD-609 |
E3 |
|
Starea părții |
Activ |
|
Numărul de terminații |
8 |
|
Forma terminală |
Aripa pescărușă |
|
Numărul de funcții |
1 |
|
Time@Peak Reflow Temperatură (S) |
30 |
|
Număr de pini |
8 |
|
Tensiunea de alimentare de funcționare |
36V |
|
IC analog - alt tip |
Circuit analogic |
|
Curent de aprovizionare nominală |
550 µA |
|
Curent maxim de furnizare |
650 µA |
|
Tip amplificator |
Scopul general |
|
Tensiune de intrare maximă |
600V |
|
Curent de ieșire pe canal |
55mA |
|
Câștigă produs de lățime de bandă |
130 kHz |
|
Raportul de respingere a sursei de energie (PSRR) |
90dB |
|
Temperatura maximă a joncțiunii (TJ) |
150 ° C. |
|
Înălţime |
1,75mm |
|
Lăţime |
4mm |
|
Întărirea radiațiilor |
Nu |
|
Plumb liber |
Conține plumb |
|
Timp de conducere din fabrică |
8 săptămâni |
|
Munte |
Montare la suprafață |
|
Pachet / carcasă |
8-soic (0,154, 3,90 mm lățime) |
|
Numărul de elemente |
1 |
|
Ambalaj |
Tub |
|
Cod PBFree |
E3 |
|
Nivel de sensibilitate la umiditate (MSL) |
3 (168 ore) |
|
Poziția terminală |
DUAL |
|
Temperatura maximă de reflow (CEL) |
260 |
|
Tensiune de alimentare |
15V |
|
Numărul piesei de bază |
AD8479 |
|
Tip de ieșire |
Rail la șină |
|
Tensiune de alimentare min (vsup) |
2.5V |
|
Curent de furnizare de funcționare |
650 µA |
|
Curent de ieșire |
10A |
|
Rata de culegere |
8V/µs |
|
Raportul de respingere a modului comun |
90 dB |
|
Tensiune - alimentare, unică/duală (±) |
± 2,5V ~ 18V |
|
Tensiune de compensare a intrării (VOS) |
500µV |
|
Neg Tensiune de alimentare-NOM (VSUP) |
-15V |
|
Timp de setare |
11 µs |
|
Intervalul de temperatură ambientală ridicat |
125 ° C. |
|
Lungime |
5mm |
|
Ajunge la SVHC |
Fără SVHC |
|
Starea ROHS |
ROHS conform |

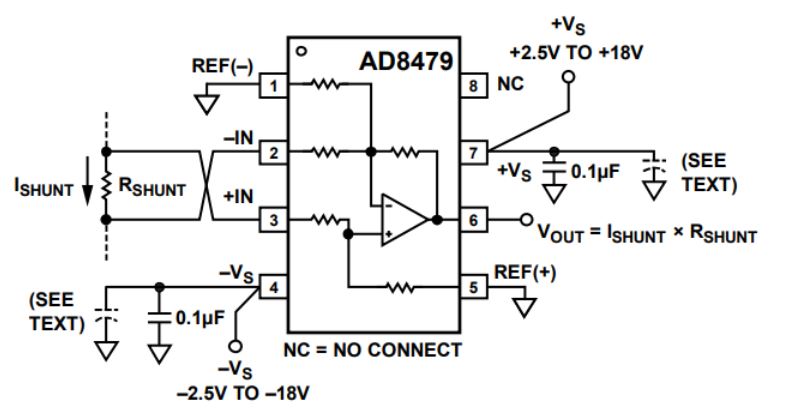
Figura de mai jos ilustrează conexiunile necesare pentru funcționarea AD8479 cu o sursă de alimentare dublă.În această configurație, se aplică o tensiune de alimentare cuprinsă între ± 2,5 V și ± 18 V pe pinul 7 (alimentare pozitivă) și pinul 4 (alimentare negativă).Se recomandă să plasați condensatoare de 0,1 μF aproape de acești pini pentru decuplarea eficientă a fiecărei aprovizionări.Dacă există un zgomot de frecvență joasă pe sursa de alimentare, pot fi de a stabiliza performanța.În timp ce un singur set de condensatoare de 10 μF poate servi mai multe amplificatoare, fiecare amplificator AD8479 ar trebui să aibă propriul set dedicat de condensatoare de 0,1 μF.Acest lucru asigură că punctul de decuplare este poziționat direct la pinii de putere IC, optimizând stabilitatea și minimizând interferențele potențiale.

Semnalul de intrare diferențial, generat de obicei de un curent de sarcină care curge printr -o mică rezistență de șunt, este aplicat pe pinul 2 și pinul 3 cu polaritatea prezentată în figura precedentă pentru a obține un câștig pozitiv.AD8479 poate găzdui o tensiune în mod comun la intrarea diferențială cuprinsă între -600 V și +600 V, cu o tensiune diferențială maximă de ± 14,7 V. Când este configurat, așa cum este arătat, dispozitivul funcționează ca un câștig simplu-de-1,Amplificator de la diferență-la-single-end, unde tensiunea de ieșire este direct proporțională cu produsul rezistenței de șunt și a curentului de șunt.Această ieșire este menționată cu privire la pinul 1 și pinul 5. Pentru câștigul de unitate, pinul 1 (Ref-) și pinul 5 (ref+) ar trebui să fie conectate la un plan de sol cu impedanță scăzută, asigurând o referință la sol stabilă și prevenind degradarea în comun în comun-Respingerea modei.Pinul 8 este un pin fără conectare și ar trebui să rămână neconectat.
AD8479 este un amplificator de câștig de unitate, diferențiat-la-single, conceput pentru a respinge semnale ridicate în mod comun de până la 600 V cu ± 15 V provizii.Combină un amplificator operațional de precizie cu o rețea de rezistență potrivită, permițându-i să convertească cu exactitate semnale diferențiale mici într-o ieșire cu un singur capăt, chiar și în prezența unor mari tensiuni în mod comun.Acest design îl face ideal pentru aplicații precum detectarea curentă și achiziția semnalului de înaltă tensiune.

Pentru a-și atinge intervalul ridicat de tensiune în mod comun, AD8479 folosește un divizor de rezistență intern, conectat la pinul 3 și pinul 5, care atenuează semnalul neinvertrent cu un factor de 60. Rezistențe interne la pinul 1 și pinul 2, împreună cuRezistența de feedback, apoi restabilește câștigul, obținând un câștig diferențial de unitate.Funcția de transfer a dispozitivului este dată de: Vout = V (+în) - V (−in).
Trimarea laserului asigură o potrivire precisă a rezistenței, permițând respingerea puternică a semnalelor în modul comun, în timp ce amplificarea intrărilor diferențiale.Pentru a minimiza deriva de tensiune de ieșire, etapa de intrare a amplificatorului OP include tranzistoare super beta, minimizând curentul de compensare și derivă legată de temperatură, menținând în același timp zgomotul de tensiune scăzut din cauza unui colț de zgomot de 1/F sub 5 Hz.În plus, câștigul de tensiune cu buclă deschisă OP depășește 20 de milioane V/V, cu un PSRR de peste 90 dB, îmbunătățind exactitatea și stabilitatea câștigului.
|
|
AD8479Arz |
LR645LG-G |
HV9861Alg-G |
HV9910BLG-G |
AD8479BRZ |
|
Producător |
Analog Devices Inc. |
Tehnologie microcip |
Tehnologie microcip |
Tehnologie microcip |
Analog Devices Inc. |
|
Pachet / carcasă |
8-soic (0,154, 3,90 mm lățime) |
8-soic (0,154, 3,90 mm lățime) |
8-soic (0,154, 3,90 mm lățime) |
8-soic (0,154, 3,90 mm lățime) |
8-soic (0,154, 3,90 mm lățime) |
|
Numărul de pini |
8 |
8 |
8 |
8 |
8 |
|
Curent de ieșire |
10 a |
10 a |
- |
- |
- |
|
Tensiune de intrare maximă |
600 v |
600 v |
600 v |
450 v |
450 v |
|
Numărul de terminații |
8 |
8 |
8 |
8 |
8 |
|
Munte |
Montare la suprafață |
Montare la suprafață |
Montare la suprafață |
Montare la suprafață |
Montare la suprafață |
|
Ajunge la SVHC |
Fără SVHC |
Fără SVHC |
Fără SVHC |
Fără SVHC |
Fără SVHC |
|
Temperatura maximă de reflow (° C) |
260 |
260 |
260 |
260 |
260 |
Datorită preciziei și dependenței sale în evaluarea semnalelor diferențiale, AD8479 joacă un rol în detectarea curentului de înaltă tensiune.Mediile industriale se bazează pe această precizie pentru a monitoriza consumul de energie, care, la rândul său, favorizează atât eficiența operațională, cât și siguranța.De exemplu, în cadrul rețelelor electrice, detectarea ionilor V ariat în fluxul curent este fundamentală în evitarea supraîncărcărilor, asigurând în același timp livrarea de energie neîntreruptă.Exploatăm aceste capacități pentru a menține performanțele maxime, beneficiind de caracteristicile de izolare care protejează datele sensibile în diferite secțiuni de circuit.
În tehnologia bateriei, supravegherea vigilentă a tensiunii și a curentului se dovedește pentru susținerea eficienței și extinderea duratei de viață.AD8479 excelează prin furnizarea de măsurători precise, care ajută la gestionarea sistemelor de baterii diverse.Aceste scenarii includ vehicule electrice, unde monitorizarea precisă stă atât pentru siguranța, cât și eficiența bateriilor în timpul utilizării zilnice.Această componentă reduce adept riscurile de supraîncălzire, sporind durata de viață a celulelor bateriei cu o intervenție minimă în timpul întreținerii de rutină - un factor care își consolidează substanțial fiabilitatea în timp.
Avantajele AD8479 sunt evidente în sistemele de control motor, unde precizia sa sprijină funcționarea eficientă din punct de vedere energetic și crește longevitatea motorului.Mașinile industriale și automatizarea necesită mecanisme de control stabile și sensibile pentru a diminua uzura în timp ce stimulează funcționalitatea.Încorporăm frecvent AD8479 cu alte părți pentru a proiecta sisteme care ating fără efort aceste obiective.Prin calibrare minuțioasă, componenta se integrează fără probleme în sisteme preexistente, îmbunătățind astfel protocoalele de siguranță și îmbunătățind eficiența operațională.
Multe sisteme necesită o izolare robustă a semnalului pentru a preveni corupția datelor și pentru a permite operațiuni sigure.AD8479 devine în aceste contexte, în special în telecomunicații în care menținerea integrității constante a semnalului este de cea mai mare importanță.Prin izolarea secțiunilor vulnerabile la interferențe, componenta asigură o comunicare continuă eficientă cu perturbări minime.Această abordare apelează la practicieni, deoarece reduce dependența de mecanisme de protecție elaborate, oferind în schimb o metodă simplă, dar eficientă, pentru a garanta fidelitatea datelor în diferite rețele.

Dispozitive analogice sunt în fruntea ingineriei revoluționare a circuitului integrat (IC) din 1965, oferind soluții transformatoare pe peisajul vast al sistemelor electronice.Produsele lor concepute adept sunt renumite pentru traducerea măsurătorilor în semnale electronice extrem de precise, prezentând o istorie neclintită de încredere și o calitate superioară.
DESPRE NOI
Satisfacția clienților de fiecare dată.Încredere reciprocă și interese comune.
Ghid cuprinzător pentru DS1302 RTC
2024-11-09
Ghidul dvs. în NRF52833 RF Transceiver
2024-11-09
Sărbătorit pentru capacitatea sa remarcabilă de a gestiona o gamă largă de tensiune în modul comun de intrare, AD8479 este adaptat pentru precizie.Excelsează în furnizarea măsurătorilor de semnal diferențial precise, chiar și atunci când se confruntă cu tensiuni considerabile în mod comun care se extind până la ± 600 V. Această competență oferă o valoare substanțială în sistemele complexe în care precizia de înaltă tensiune este imperativă.
AD8479 apare ca o alternativă viabilă la amplificatoarele de izolare costisitoare atunci când nu este căutată izolarea galvanică.Această decizie reduce substanțial costurile în scenarii în care măsurarea precisă a semnalului este prioritizată fără complexitatea suplimentară asociată cu izolarea.Această selecție a componentelor reflectă un echilibru judicios între eficiența economică și robustetea performanței.
Încadrat într-un pachet SOIC cu 8 plumb care economisește spațiu, AD8479 demonstrează performanțe fiabile într-un spectru extins de temperatură cuprins între -40 ° C și +125 ° C.Această inginerie oferă adaptabilitate și rezistență, ceea ce o face o alegere astută pentru o multitudine de condiții de mediu, fie în operațiuni de temperatură mai ridicată, fie în setări mai răcire.
E-mail: Info@ariat-tech.comHK TEL: +852 30501966ADĂUGA: Rm 2703 27F Ho King Comm Center 2-16,
Fa Yuen St MongKok Kowloon, Hong Kong.