


AT28C256 este un EEPROM de înaltă performanță (memorie de citire electrică și programabilă doar programabilă), cu o capacitate de 256 kb organizată ca 32.768 de cuvinte cu 8 biți.Construit cu tehnologia avansată a CMOS nonvolatilă a Microchip, oferă timpi de acces rapid până la 150 ns și consumă doar 440 MW de putere.Când este delectat, curentul de standby al CMOS al dispozitivului scade la sub 200 µA.Accesat ca RAM static, AT28C256 nu necesită componente externe pentru cicluri de citire sau scriere.Include un registru de pagini de 64 de biți care permite scrierea simultan de până la 64 de octeți.
În timpul unui ciclu de scriere, adresa și datele (până la 64 de octeți) sunt fixate intern, eliberând adresa și autobuzul de date pentru alte sarcini.Dispozitivul scrie automat datele blocate folosind un cronometru de control intern, iar finalizarea poate fi monitorizată prin sondarea datelor pe I/O7.Caracteristicile suplimentare includ corectarea erorilor interne pentru rezistență îmbunătățită și păstrarea datelor, protecția opțională a datelor software împotriva scrierilor accidentale și a 64 de octeți în plus de EEPROM în scopuri de identificare sau de urmărire a dispozitivului.
Cu un timp de acces citit de doar 150 de nanosecunde, AT28C256 asigură recuperarea rapidă a datelor, care se dovedește pentru sistemele cu nevoi de procesare în timp real.Acest atribut favorizează performanța remarcabilă în mediile digitale, influențând eficiența sistemului prin furnizarea de acces rapid la informațiile stocate.
Organizat ca 32.768 x 8, EEPROM conține zăvoare interne care dețin până la 64 de octeți pe pagină și folosește un cronometru de control pentru a gestiona procesul de scriere.Această caracteristică automată de scriere a paginilor simplifică eforturile de intrare a datelor în medii sensibile la timp, cum ar fi sistemele încorporate, menținând sincronizarea și susținând integritatea datelor pe parcursul operațiunilor.
Oferind un ciclu de scriere rapidă de 3 ms și un maxim de 10 ms pentru scrierea paginii, AT28C256 se potrivește între 1 până la 64 de octeți pe operațiune, oferind flexibilitate în gestionarea datelor.Aceste operațiuni de scriere accelerate reduc timpul de oprire a sistemului și îmbunătățesc randamentul de date, afectează în mod benefic timpii de răspuns în aplicațiile intensive de date.
Dispozitivul afișează un consum de energie eficient cu un curent activ de 50 mA și un curent de standby CMOS până la 300 µA.Acest lucru îl face o alegere adecvată pentru proiectele conștiente de energie, pe dispozitivele cu baterii, asigurând performanțe optime fără o utilizare excesivă a puterii.
Echipat cu strategii sofisticate de protecție a datelor, AT28C256 folosește atât apărări hardware, cât și software, inclusiv sondaj de date pentru a verifica finalizarea ciclului de scriere.Asigurarea integrității datelor pe termen lung este necesară în domenii precum sistemele de finanțe și date cu caracter personal, oferind asigurarea păstrării datelor și a stabilității în circumstanțe provocatoare.
Utilizarea tehnologiei CMOS, AT28C256 oferă o rezistență de până la 100.000 de cicluri de scriere și un deceniu de păstrare a datelor în condiții standard.O astfel de rezistență se potrivește pentru utilizarea pe termen lung în câmpuri care necesită memorie de încredere, cum ar fi aplicații medicale sau industriale, obținând o stimă pe scară largă pentru longevitatea și fiabilitatea robustă.
Necesind o singură alimentare de 5V ± 10%, dispozitivul asigură o compatibilitate perfectă cu interfețele CMOS/TTL și respectă configurația PIN-ului JEDEC® BYTE.Acest lucru se adaptează fără probleme în configurații hardware diverse, fie pentru sisteme moștenite existente, fie pentru noi proiecte inovatoare, care susțin avansarea continuă în mai multe sectoare tehnologice.
AT28C256-15JU, elaborat de tehnologia microchip, se distinge cu fiabilitate și eficiență notabile în diverse aplicații.Tabelul de mai jos este specificațiile tehnice, atributele și parametrii tehnologiei microchip AT28C256-15JU.
|
Tip |
Parametru |
|
Timp de conducere din fabrică |
7 săptămâni |
|
Munte |
Montare la suprafață |
|
Pachet / carcasă |
32-lcc (J-Lead) |
|
Tipuri de memorie |
Non-volatil |
|
Ambalaj |
Tub |
|
Cod JESD-609 |
E3 |
|
Starea părții |
Activ |
|
Numărul de terminații |
32 |
|
Poziția terminală |
Quad |
|
Numărul de funcții |
1 |
|
Terminal |
1,27mm |
|
Time@Peak Reflow Temperatură (S) |
40 |
|
Tensiunea de alimentare de funcționare |
5V |
|
Interfață |
Paralel, SPI |
|
Curent de aprovizionare nominală |
50mm |
|
Format de memorie |
Eeprom |
|
Scrieți timpul ciclului - cuvânt, pagină |
10ms |
|
Standby Current-Max |
0.0002a |
|
Rezistență |
10000 cicluri de scriere/ștergere |
|
Timp de păstrare a datelor min |
10 |
|
Sondaj de date |
DA |
|
Dimensiunea paginii |
64 de cuvinte |
|
Lungime |
14.1mm |
|
Ajunge la SVHC |
Fără SVHC |
|
Starea ROHS |
ROHS3 Conform |
|
Placare de contact |
Staniu |
|
Tip de montare |
Montare la suprafață |
|
Numărul de pini |
32 |
|
Temperatura de funcționare |
-40 ° C ~ 85 ° C TC |
|
Publicat |
1997 |
|
Cod PBFree |
Da |
|
Nivel de sensibilitate la umiditate (MSL) |
2 (1 an) |
|
Tensiune - alimentare |
4.5V ~ 5.5V |
|
Temperatura maximă de reflow (CEL) |
245 |
|
Tensiune de alimentare |
5V |
|
Frecvenţă |
5MHz |
|
Numărul piesei de bază |
AT28C256 |
|
Surse de alimentare |
5V |
|
Dimensiunea memoriei |
256kb 32k x 8 |
|
Timp de acces |
150ns |
|
Interfață de memorie |
Paralel |
|
Densitate |
256 kb |
|
Tensiune de programare |
5V |
|
Scrieți ciclul-timp-max (TWC) |
10ms |
|
Protecția scrierii |
Hardware/software |
|
Comutați bit |
DA |
|
Înălţime |
2,79mm |
|
Lăţime |
11.5mm |
|
Întărirea radiațiilor |
Nu |
|
Plumb liber |
Plumb liber |

|
Numărul modelului |
Producător |
Descriere |
|
5962-8852508ux |
Tehnologii E2V |
EEPROM, 32KX8, 150NS, paralel, CMOS,
CPGA28, PGA-28 |
|
28C256TRT4DE-15 |
Maxwell Technologies |
EEPROM, 32KX8, 150NS, paralel, CMOS,
Dip-28 |
|
X28C256J-15 |
Xicor Inc. |
EEPROM, 32KX8, 150NS, paralel, CMOS,
PQCC32, plastic, LCC-32 |
|
28C256TRT2DE-15 |
Maxwell Technologies |
EEPROM, 32KX8, 150NS, paralel, CMOS,
Dip-28 |
|
X28C256D-15 |
Xicor Inc. |
EEPROM, 32KX8, 150NS, paralel, CMOS,
CDIP28, sigilat ermetic, cerdip-28 |
|
5962-8852514ux |
Microchip Technology Inc |
EEPROM, 32KX8, 150NS, paralel, CMOS,
CPGA28 |
|
AT28C256-15UC |
Atmel Corporation |
EEPROM, 32KX8, 150NS, paralel, CMOS,
CPGA28, ceramică, PGA-28 |
|
X28C256PMB-15 |
Xicor Inc. |
EEPROM, 32KX8, 150NS, paralel, CMOS, PDIP28,
Plastic, Dip-28 |
|
FT28C256-15UJ |
Force Technologies Ltd |
EEPROM, 32KX8, 150NS, paralel, CMOS,
PQCC32, Green, Plastic, MS-016AE, LCC-32 |
|
X28C256J-15C7000 |
Xicor Inc. |
EEPROM, 32KX8, 150NS, paralel, CMOS,
PQCC32 |
|
|
AT28C256-15JU |
AT28C256F-15JU |
AT28HC256-12JU |
AT28C256E-15JU |
|
Producător |
Tehnologie microcip |
Tehnologie microcip |
Tehnologie microcip |
Tehnologie microcip |
|
Pachet / carcasă |
32-lcc (J-Lead) |
32-lcc (J-Lead) |
32-lcc (J-Lead) |
32-lcc (J-Lead) |
|
Numărul de pini |
32 |
32 |
32 |
32 |
|
Densitate |
256 kb |
256 kb |
256 kb |
256 kb |
|
Timp de acces |
150ns |
150ns |
120ns |
150ns |
|
Frecvenţă |
5 MHz |
5 MHz |
5 MHz |
5 MHz |
|
Interfață |
Paralel, SPI |
- |
- |
Paralel, SPI |
|
Tensiune de alimentare |
5 v |
5 v |
5 v |
5 v |
|
Tehnologie |
CMOS |
CMOS |
CMOS |
CMOS |


Amplasat în orașul vibrant Chandler, Arizona, Microchip Technology Inc. și -a sculptat o nișă ca un frontunner în microcontroller și tehnologii cu semiconductor analog.Portofoliul lor extins susține dezvoltarea de produse inovatoare, eficiența costurilor minuțioase și o implementare rapidă a pieței pentru o bază de clienți internaționali vastă și variată.Aceste realizări sunt susținute de metodologiile de ghidare tehnică și de livrare neclintite fin pentru a îndeplini cerințele distincte ale clienților.Colaborarea cu microchip are adesea o combinație de cunoștințe tehnice și de execuție care catalizează o poziție competitivă îmbunătățită.
DESPRE NOI
Satisfacția clienților de fiecare dată.Încredere reciprocă și interese comune.
Înțelegerea IR2153: o privire aprofundată asupra caracteristicilor sale, a proiectării circuitului și a aplicațiilor din industrie
2024-11-11
Ghid cuprinzător pentru DS1302 RTC
2024-11-09
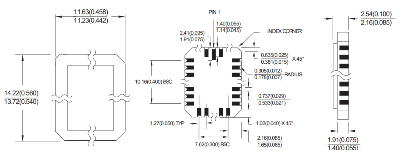
AT28C256-15JU are 32 de pini.
Intervalul de temperatură de funcționare este de -40 ° C până la 85 ° C (TC).
AT28C256 funcționează în mod similar RAM static atât pentru ciclurile de citire cât și pentru scriere.
AT28C256 este un EEPROM de înaltă performanță cu o memorie de 256 kb, organizată ca 32.768 de cuvinte cu 8 biți.
E-mail: Info@ariat-tech.comHK TEL: +852 30501966ADĂUGA: Rm 2703 27F Ho King Comm Center 2-16,
Fa Yuen St MongKok Kowloon, Hong Kong.